Related Videos
Shark Series Grinder Pumps
We offer a wide range of grinder pumps from 1/2 to 15 HP. This video highlights our Shark Series grinder line.
A scale removal system is designed to flush mineral buildup from water heaters by circulating a cleaning solution through the heat exchanger and internal water lines. Regular descaling helps maintain efficiency, improve heat transfer, and extend equipment life by reducing scale caused by hard water. These systems are commonly used as part of routine maintenance to support consistent performance and reliable hot water delivery.
Learn MoreOur high-quality sump pumps and backup systems can dependably protect your home and keep you and your family safe and dry.
Learn MoreSewage or grinder pumps move raw sewage and unwanted water away from the home. Our pre-plumbed packages make selecting and installing the right equipment easy.
Learn MoreUnwanted water and raw sewage are pumped to an outside basin. Sewage lift station pumps take this wastewater up and away.
Learn MoreDuring storms, excess water can lead to flooding, pollution, and damage. We offer a range of pumps, containers, and controls to manage your stormwater effectively.
Learn MoreEffluent lift stations collect and pump the grey water or effluent from commercial facilities or wastewater treatment systems.
Learn MoreWhen sanitary sewers are not available, septic systems are used to treat wastewater before disposal.
Learn MoreOur hazardous duty explosion-proof effluent and sewage pumps are rated for Class 1, Division 1, Groups C & D or Class 1, Zone 1, Groups IIA & IIB. Every pump is submerged in water and tested at the factory to ensure that it performs as expected when you receive it.
Learn MoreInstall a sink drain anywhere without breaking concrete. Use our drain pumps for easy installation in areas without gravity drainage.
Learn MoreAdd a full or half bathroom to an area without gravity drainage by using our upflush toilet systems to avoid breaking concrete.
Learn MoreCrawl spaces get damp, leading to mold and structural damage. Our sumps manage moisture, preventing these issues.
Learn MoreIdeal for draining swimming pools, hot tubs, basements, and other areas, our portable dewatering pumps are affordable and easy to transport or store.
Learn MoreElevator sump pumps prevent environmental contamination before it starts by stopping the pump at the appropriate time with our oil smart system.
Learn MoreRemove condensation from air conditioning equipment, condensing furnaces, dehumidifiers, ice makers, water coolers, and refrigeration systems when gravity flow is not an option.
Learn MoreOur potable water pumps are built for a variety of applications such as water wells, city pressure boosters and irrigation systems. If you have the need for potable water pumps, we can provide the same high quality workmanship that has become an industry standard.
Learn MoreWater fountain pumps add a unique focal point and value to your property. The environmentally friendly, water-cooled motor eliminates pollution risk and pond contamination.
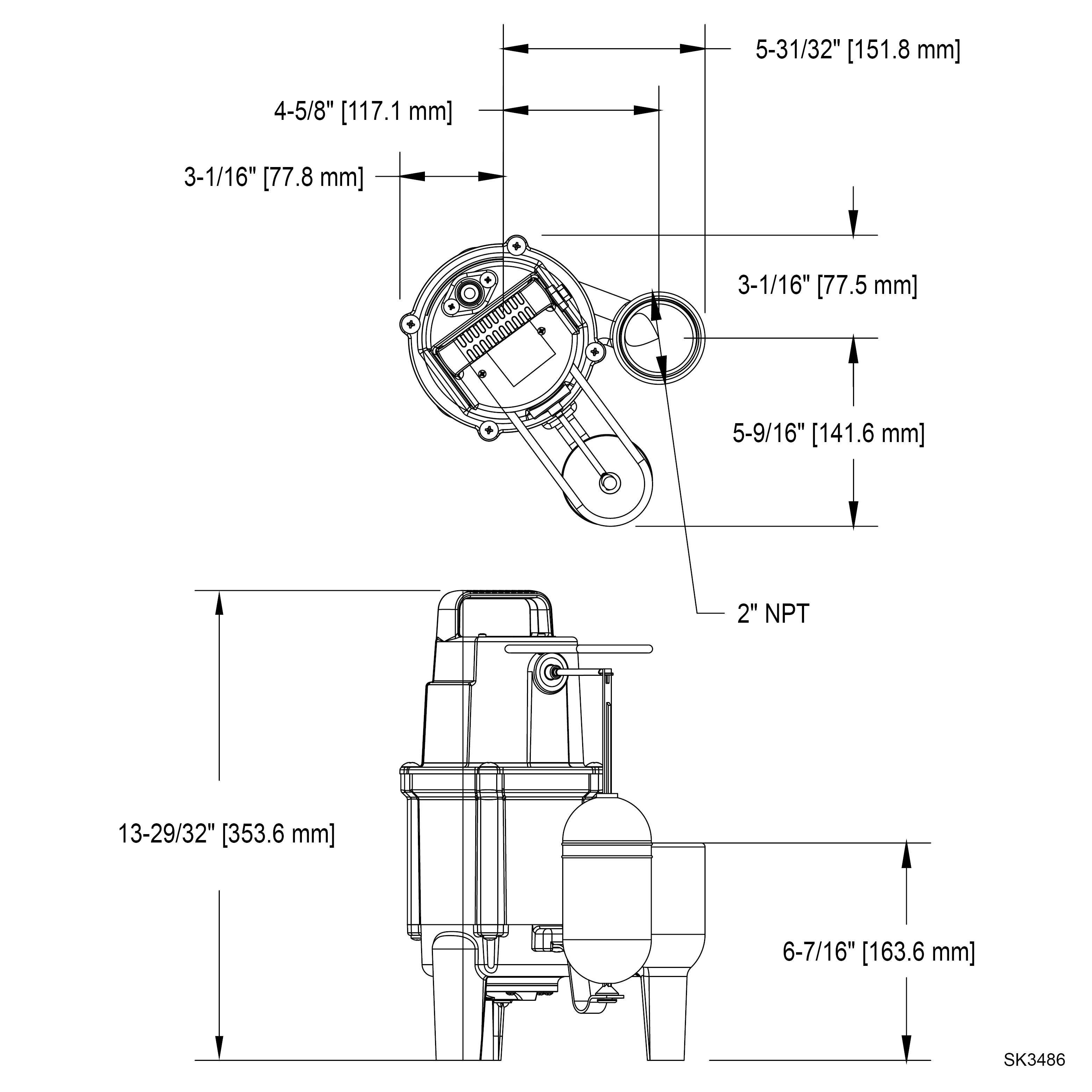
Learn MoreThe Model 802 is a powerful 1/2 HP residential grinder pump engineered as an economical upgrade from traditional sewage ejector systems, delivering improved solids reduction and dependable wastewater handling. Featuring Tri‑Slice® cutter technology, a durable cast‑iron motor housing, and an included Zoeller LED Plug, it provides reliable performance and peace of mind in demanding sewage applications.
Product SKU:
UPC:
Have a question? Give us a call!
800-928-7867
The Model 802 is a powerful 1/2 HP residential grinder pump engineered as an economical upgrade from traditional sewage ejector systems, delivering improved solids reduction and dependable wastewater handling. Featuring Tri‑Slice® cutter technology, a durable cast‑iron motor housing, and an included Zoeller LED Plug, it provides reliable performance and peace of mind in demanding sewage applications.
The Model 802 Grinder Pump is designed for homeowners who need a dependable and cost‑effective step up from a standard sewage ejector pump. Built for demanding sewage applications, the 802 features a 1/2 HP shaded‑pole motor housed in oil‑filled, cast‑iron construction, ensuring excellent heat dissipation and long‑term durability in harsh environments. With a 2″ discharge and 115‑volt operation, this grinder is optimized for residential use without the higher cost typically associated with commercial‑grade grinder systems.
At the heart of the 802 is Zoeller’s industry‑proven Tri‑Slice® cutter technology, which delivers over 250,000 cuts per minute, reducing solids down to 1/8 inch for smooth downstream flow and reduced risk of clogs. The pump includes Zoeller’s integral automatic switch, providing dependable operation without external controls, and comes equipped with the Zoeller LED Plug, allowing users to verify power status at a glance—an added layer of convenience and confidence.
With performance capabilities reaching up to 29.5 feet of total dynamic head and flow rates of up to 48 gallons per minute, the Model 802 is engineered to perform reliably even under heavy load. Like all Zoeller products, it is 100% factory tested, delivering verified performance straight out of the box and backed by a 3‑year warranty for long‑lasting peace of mind. When you need a rugged grinder pump that combines powerful cutting action, proven reliability, and ease of installation, the Model 802 stands ready to deliver—Trusted. Tested. Tough.®
Shipping Weight:
28 lbs
Shipping Dimensions:
Height 16 1/4 in x Width 10 1/2 in x Length 10 1/2 in.
Horsepower:
1/2
Voltage:
115
Phase:
1
AMP:
9.6
Operation:
Automatic
Switch:
Snap-Action
RPM:
3450
Discharge:
2" NPT
Solids Handling:
Slurry
On/Off Points:
10" (25.4 cm) / 4" (10.16 cm)
Impeller Type:
Vortex
Impeller Material:
Engineered Plastic
Cord Length:
9’ (3 m)
Technical Data
Installation Instructions
Sales Sheet
We offer a wide range of grinder pumps from 1/2 to 15 HP. This video highlights our Shark Series grinder line.
Color 1
Color 2
Color 3
Color 4
Color 5






